

?
詳細參數:
串聯電阻(ESR)
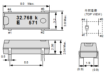
外部尺寸規格:
推薦焊盤尺寸:
愛普生簡介:
EPSON愛普生公司成立于1942年5月,總部位于日本長野縣諏訪市,是數碼映像領域的全球多企業。愛普生集團通過富有創新和創造力的文化,提升企業價值,致力于為客戶提供數碼影像創新技術和解決方案。愛普生拓優科夢是一家從事晶體元件的廠商,愛普生拓優科夢()運用長年積累的培育人工石英以及以加工為代表的、實現精微化、高精度、高品質的綜合技術。 愛普生東洋集團研究出的小體積新產品,滿足了市場要求嚴格等一些小型便攜式的電子產品。愛普生東洋集團的本著一、絕不抄襲別人的東西,要開發唯我獨有的強勢技術,實現世間從無到有的創新;二、屬于自己的創新產品和技術一定要注冊成專利,從而使企業的合法利益獲得保障的原則,令人敬佩。愛普生拓優科夢()將進一步究極用精微加工發揮“石英”材料的優越性能的“QMEMS”技術,創造出更小、更高性能或全新功能的元器件;同時,融合愛普生集團的半導體與軟件技術增添便于使用、能讓顧客更體驗到利用價值的“解決方案”。通過上述工作,我們將為社會的發展以及實現更舒暢的未來而竭誠奉獻。深圳市瑞泰電子是一家代理進口晶振品牌的供應商,在行業中,我們擁有的價格優勢。我們的貨源均來自正規渠道。我們擁有世界上的售后服務。瑞泰電子精英隊伍等著您的來電咨詢。
晶振在手機中的應用:
市場對元器件的要求
愛普生晶振的印字技術
- TXC 27.12M SMD2016無源貼片晶振8Y27100005 10PF石英晶體
- 8Y27100005 來自臺灣晶技(TXC)的一款小尺寸的無源貼片晶振,包裝方式盤裝。優良特性耐熱抗震,低誤差高精度!被廣泛應用在汽車電子,控制板,智能終端等領域。廣瑞泰是一家從事石英晶振的現貨分銷商,我們豐富的產品庫存和專業的技術知識已服務國內外客戶5000+.歡迎前來咨詢晶振.
- TXC貼片晶振AV20000005 SMD3225 20MHZ 8PF無源石英晶體XTAL
- AV20000005 來自臺灣晶技(TXC)的一款小尺寸的無源貼片晶振,包裝方式盤裝。優良特性耐熱抗震,低誤差高精度!被廣泛應用在汽車電子,控制板,智能終端等領域。廣瑞泰是一家從事石英晶振的現貨分銷商,我們豐富的產品庫存和專業的技術知識已服務國內外客戶5000+.歡迎前來咨詢晶振.
- 3225晶振封裝7M25000153 CRY3225 -40/85℃工業級貼片晶振25MHZ
- 7M25000153 來自臺灣晶技(TXC)的一款石英貼片晶振,包裝方式盤裝。優良特性耐熱抗震,低誤差高精度!被廣泛應用在汽車電子,控制板,智能終端等領域。廣瑞泰是一家從事石英晶振的現貨分銷商,我們豐富的產品庫存和專業的技術知識已服務國內外客戶5000+.歡迎前來咨詢晶振.